欢迎咨询消防安全评估设备软件及消防检测仪器设备!
咨询热线:18910580194

新闻动态

产品中心

联系我们

消防剩余电流式电气火灾探测器报警判断与排查

关键词:消防剩余电流式电气火灾探测器报警判断与排查

描述:在安装完剩余电流式电气火灾探测器开通调试时,往往会出现因配电线路布设、接线等问题造成的探测器检测电流大而报警的问题。一方面可能线路存在严重漏电,这就必须高度重视查找和消除隐患;另一方面可能所监测电气线路已超出最大电流泄露值,需重新合理选择探测器监测位置(下一级配电箱);但多数原因是由于被检测线路穿过互感器时不规范导致主机报警,此时应尽快进行线路查看并纠正,消除误报警情况。



在安装完剩余电流式电气火灾探测器开通调试时,往往会出现因配电线路布设、接线等问题造成的探测器检测电流大而报警的问题。一方面可能线路存在严重漏电,这就必须高度重视查找和消除隐患;另一方面可能所监测电气线路已超出最大电流泄露值,需重新合理选择探测器监测位置(下一级配电箱);但多数原因是由于被检测线路穿过互感器时不规范导致主机报警,此时应尽快进行线路查看并纠正,消除误报警情况。

  1.配电箱的组成部件

image.png

 2.产生漏电的常见情况

  1)互感器零线方向穿反;

  解决办法:检查零线,搞清楚出线方向,正确穿过互感器。

image.png

 2)互感器用户侧负载零线由于破皮、绝缘老化、接头包裹不严等原因导致对地绝缘不良。

image.png

3)互感器用户侧零线重复接地;或零线、地线混用,造成人为漏电。

image.png

 4)互感器用户侧零线有负载接到互感器前的相线,即保护区域以外的其他线路与用户侧“共零”。这种为了敷设方便的不规范线路安装非常常见。哪怕只是走廊或强电电井里的几个灯泡,就足以造成探测器报警(一个25W的灯泡产生的电流在200mA左右)。

image.png

 5)同一配电箱内,不同路监测的电流互感器后线路串电(包括火线和零线)。

image.png

6)不同配电箱出线的零线跨区混用,不同配电箱出线的零线并接或通过其他途径间接搭接。

image.png

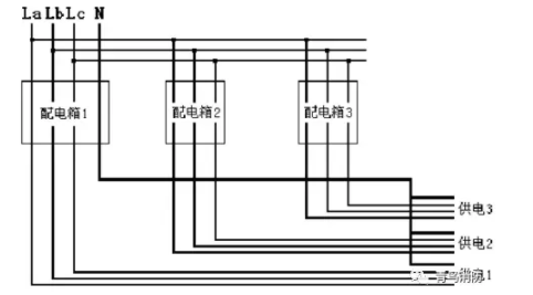
  7)剩余电流探测器安装选点错误,如下图:只有总进线处及供电1、2、3路可以装设漏电保护装置(并要确保它们后面都是各自独立的),其他位置都无法装设,包括所有三个配电箱。

image.png

  3.漏电报警检查方法

  电气火灾监控系统虽属于弱电控制系统,但是其监控对象却大部分都是AC220V或AC380V的供电线路,因此调试人员必须提高安全意识,需在专业强电施工人员在场的情况下进行相应的漏电排查,尽量指导专业强电施工人员正确的排查方法由其自行操作,避免触电惨剧的发生!!!

  1)观察法:检查是否将LA、LB、LC与N线或L与N线是否同时穿过互感器,配电箱内或附近有无用电设备(如强电井内灯泡)。

  2)仪表测量法:在不停电情况下,利用钳形漏电电流表从电流互感器安装点以后逐级逐条线路检测。测试各配电箱PE线上的漏电流,与实际负载正常漏电流(一般的用电设备,如灯、家用电器,按每个0.5mA计算)进行比较。并可对负载线路逐段进行测试检查,测试时也应将LA、LB、LC与N线或L与N线同时套入。

image.png

 3)分别断电法:将配电箱输出的空开逐个断开,观察探测器或监控器显示的漏电电流值,当电流恢复正常时,找出有问题的回路进行详细检查。

  4)停电测量法:用万用表逐级逐条线路分别检测相线和中性线对地绝缘电阻值,阻值应在0.5M以上,通常在4~5M左右。

  5)重复接地或接线故障的检查方法:N线与PE线搭接/错接;N线绝缘损坏。逐个检查配电箱(本级及前级)是否有N线(蓝线)接至接地排、PE线(黄绿线)接至接零排的情况。对于同一区域有多个双电源配电箱的工程,当出现断开一个配电箱的总断路器,另一配电箱探测器报警的情况,一般是PE线(黄绿线)接至接零排造成。


苏州智淼消防主营∶应急管理部发布新消防检测仪器设备全套配备、防雷检测装置,火灾现场勘查箱、消防监督检查验收箱、消防测试烟枪、试水装置、消防评估软件、建筑消防设施检测箱、电气防火检测设备,消防检测设备、消防安全评估设备等。

分享到:
留言
全国城市销售: 安徽省 重庆市 福建省 甘肃省 广东省 广西省 贵州省 海南省 黑龙江省 河南省 湖北省 湖南省 江苏省 江西省 吉林省 辽宁省 内蒙古 宁夏 青海省 山东省 上海市 山西省 四川省 天津市 新疆 西藏 云南省 浙江省 北京市 河北省 陕西省
友情链接: 消防安全评估设备软件 江苏消防检测仪器 消防检测设备|人防检测仪器 消防检测设备 消防安全评估设备 消防评估设备 气体灭火 海湾气体灭火|利达气体灭火 海湾气体灭火 利达气体灭火 消防检测仪器网 山东消防检测设备 北京消防改造 海湾消防主机维修 四川消防检测设备 探测器清洗 利达消防 消防改造 电气火灾 海湾安全技术有限公司 海湾消防 海湾消防设备 四川消防检测仪器 消防安全评估软件 海湾消防气灭 利达消防维修维保 海湾消防维修 北京烟感清洗 气体灭火安装 海湾消防监控系统 消防安全评估软件 烟感清洗|火灾探测器清洗 北京消防维修 消防设施维护保养检测设备 消防改造安装
2570881 效果监测
最近浏览记录:
  • 加载中
有效记录 2570881
在线咨询

快速留言

QQ咨询

咨询热线

18910580194

商家点评